The basic information of J213E hot chamber die casting machine
The style:38T hot chamber die casting machine
Suitable materials:suitable for the zinc and lead
The size:3.5*1.45*2.1m
HS code :8454309090
The package:the machine in nude package and the wooden cases for accessories.
The specification of J213E

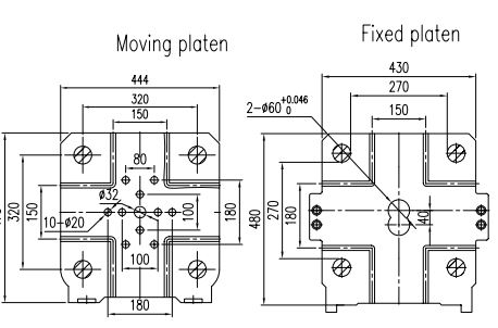
The mould installation drawing


The details of the J213E hot chamber die casting machine
This machine is one kind of full-automatic (programmed control) hot chamber die-casting machine, (hereafter referred to as hot-chamber die casting machine for short), commonly used to cast zinc alloy accessories and other accessories with low melting point.
Die-closing unit --The die-closing unit consists of platens, oil cylinders, four tie bar and other parts. The four tie bars are made from alloy steel of high quality, whose surface are processed through quenching and tempering with a coating of hard chrome plating, so it has a very long service life.

Injection unit --The injection unit of die casting machine is the device used to push the materials into the mould. It is usually driven by hydraulic power. Accumulators are used to increase the speed of the injection of the die casting machine. The die-casing chamber and the piston are immersed into molten metal. A jet pipe is mounted on the mouth of the gooseneck kettle, nozzle is connected closely with the fixed plate. Molten Metal is injected from the gooseneck kettle into the die-casting mould by the vertically-moving piston. When the injection piston returns, the molten metal will return into the gooseneck kettle automatically.
Because the injection piston rings are operating under the state of high temperature, high speed and high pressure, replacing them frequently is necessary.
Automatic detect unit-- The working process of the automatic detect unit is as following. After the casting is pushed down into the tilted scoop, it moves through the swaying gate and trigger the switch to act responsively. Then the casting is picked up and the next working cycle can proceed. If, by virtue of any reason, the casting hasn't been pushed down timely and can't be picked up, the machine will stop automatically and give an alarm.
Hydraulic pipeline system --The working pressure of the hydraulic system of this machine is 9Mpa. The hydraulic system of machine adopts pressure double-scale system so that can be adjusted at discretion. The ejecting system uses large-caliber logic and cantilever beam-type oil-way, which ensures high ejecting speed.
Melting furnace-- The machine was adopted fullly automatic combustion furnace as sets of melting unit, its power is 0.18KW. While running continuously, the oil consumption is 6kg/h.
Electrical operation system --The machine is equipped with an electrical control cabinet, which is connected to the main switch of the power supply. The voltage range of fluctuation (allowable) must be limited within 10%, or else a voltage regulator must be installed. The main circuit of hydraulic and pneumatic control uses 380V AC power supply. The solenoid valve and logical control circuit uses 24V DC power supply, which is converted into by a power rectifier.
| The devices | Brand | Country |
|
programmable logic controller (PLC) |
Mitsubishi | Japan |
| Vane pump | YUKEN | Japan |
|
Pressure reducing valve |
YUKEN | Japan |
| Overflow valve | YUKEN | Japan |
About us
Since its foundation in 1981, after 40 years' development and dedication, Ningbo Dongfang Die-casting Machine Co.,Ltd has owned 40000 square meters production bases. Ningbo Dongfang Die-casting Machine Co.,Ltd is a company specializing in manufacturing and exporting hot and cold chamber die casting machines and has vast experiences in after-sales services.

FAQ
Q: Are you the manufacturer or trading company?
A: We are the direct manufacturer and have our own Export rights.
Q: If we don't know how many tons machine will be suitable for our products, what we should do?
A: It's no problem. You can send us weight, size and material of your products then our professional master will recommend the most suitable machine for you.
Q: What is your delivery time?
A: Generally, we can deliver the machine within 7-10 days after receiving your advance payment. But it also depends on the item and the quantity of your order.
Q: How about the payment terms?
A: 30% T/T deposit, and balance 70% T/T before delivering the goods.
Q: How about your warranty and after-sales services?
A: We have one year warranty for the machine. Our professional masters could overseas to help to install and debug the machine also providing free training until you got the skill.
Q: What is your annual production capacity?
A: About 500 sets per year.
Q: How about your packing?
A: Generally, the machine is in nude packing and spare parts in wooden cases.
Hot Tags: zamak injection machine, China zamak injection machine manufacturers, suppliers, factory, die casitng machine for key lock, zinc parts die casting machine, door handle die casting machine, zinc hot chamber die casting machine, hot chamber die casting machine for zinc, zinc key lock die casting machine















